中国政府网
陝西省政府网
商洛市政府网
简繁转换
无障碍版
网站支持IPv6
网站首页
魅力柞水
政务动态
政府信息公开
政务服务
政民互动
法治政府
您当前的位置:
网站首页
>
政府信息公开
>
扶贫资金
>
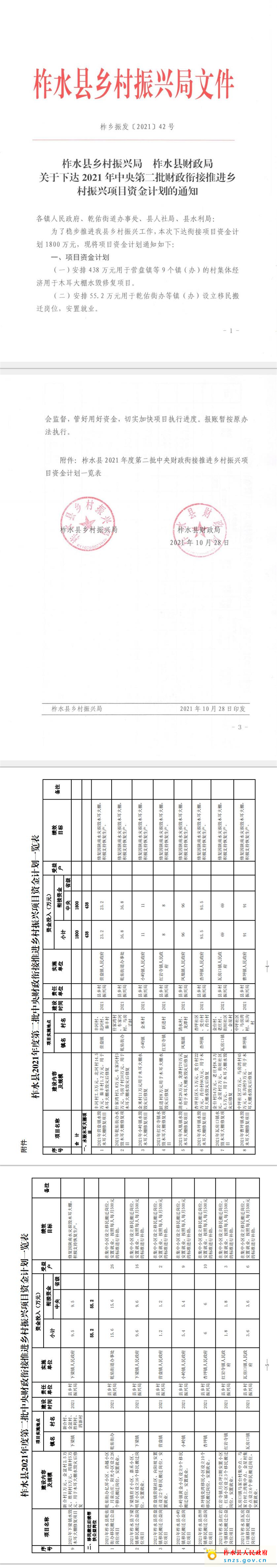
关于下达2021年中央第二批财政衔接推进乡村振兴项目资金计划的通知
来源:
袁立
访问量:
发布日期:
2021-11-04 21:21
文稿编辑:曹勇