中国政府网
陝西省政府网
商洛市政府网
简繁转换
无障碍版
网站支持IPv6
网站首页
魅力柞水
政务动态
政府信息公开
政务服务
政民互动
法治政府
您当前的位置:
网站首页
>
政务动态
>
公示公告
>
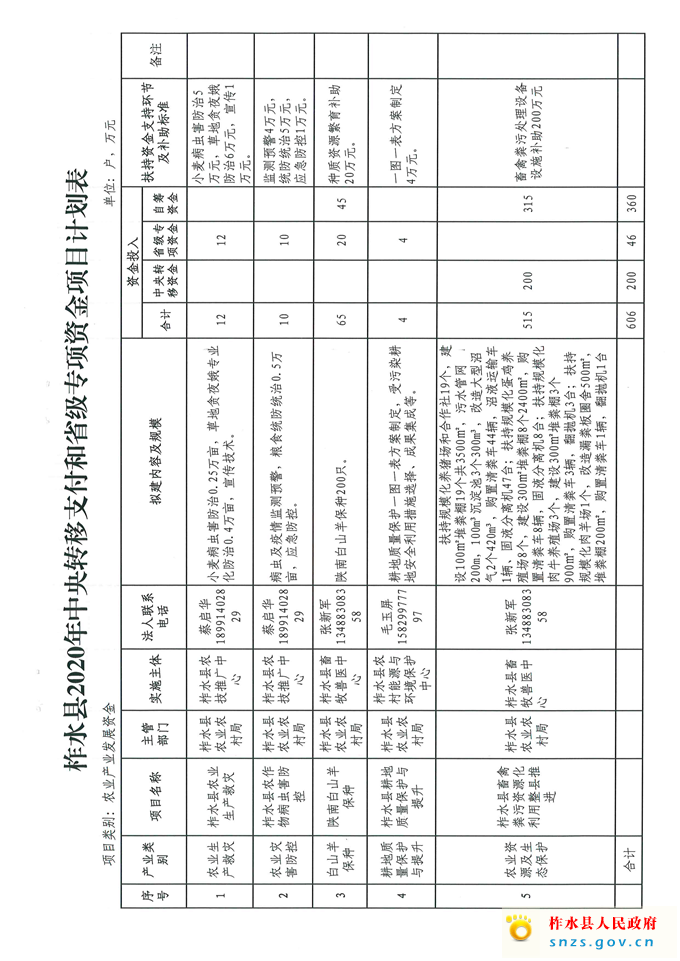
关于下达2020年中央财政转移支付和省级农业专项资金计划的通知
来源:
农业农村局
农业农村局
访问量:
发布日期:
2020-11-06 16:32
文稿编辑:徐廷元